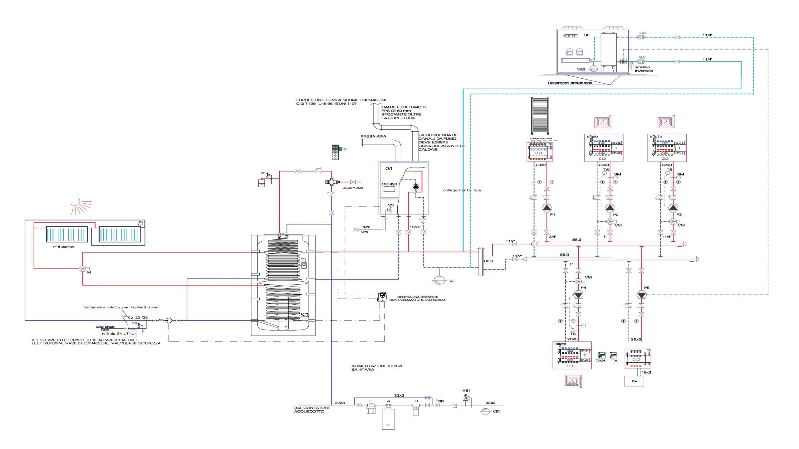
Radiante e solare termico: simbiosi perfetta
 
Per la realizzazione degli impianti di un'abitazione di 650 m2 costruita a Istrana, paese in provincia di TV, il progettista termotecnico Per. Ind. Cristian Maglione di Treviso e la ditta installatrice F.lli Scattolin snc di Zero Branco (TV), entrambi attenti alle energie rinnovabili, hanno optato per tecnologie impiantistiche evolute a basso impatto ambientale, oltre che all’insegna del comfort e del benessere, decidendo per questo di modificare il progetto originario dell’abitazione che prevedeva l’utilizzo di soluzioni tradizionali con consumi energetici elevati.
Per garantire massimo comfort e risparmio energetico sono quindi stati utilizzati i sistemi a pavimento Cover e New Plus di RDZ.
 
     
     
     
     
    




